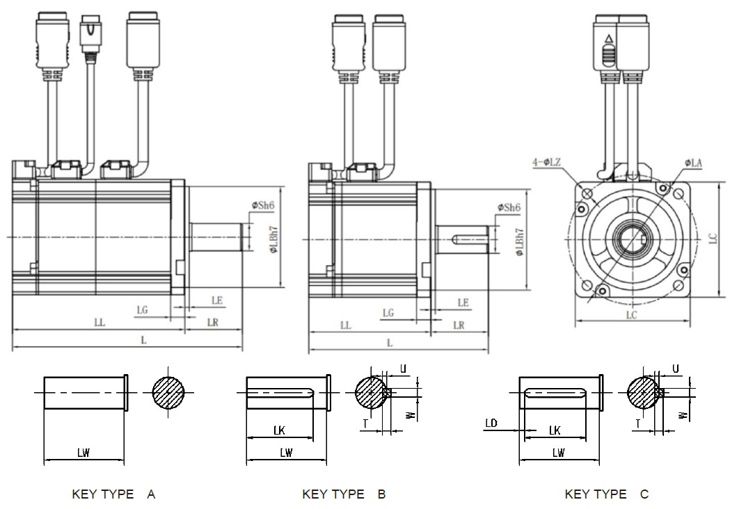
HME Servo Motor Frame Size 80 (380V)
HME Series Servo Motor Order Number

(1) RATED VOLTAGE (VAC), L, 220 / H, 380
(2) PRODUCT SERIES
(3) RATED POWER, THE FOUR-DIGIT NUMBER×0.01kW
(4) FRAME SIZE, THE DOUBLE-DIGIT NUMBER×10
(5) PRODUCT TYPE, S, STANDARD / C, CUSTOMIZED
(6) RATED SPEED, THE DOUBLE-DIGIT NUMBER×100RPM
(7) MAXIMUM SPEED FEATURE
(8) ENCODER CODE
(9) OPTIONS, B, WITH THE HOLDING BRAKE / O, WITH THE OIL SEAL
(10) THE SHAFT END KEYWAY CODE, K, WITH THE KEY AND TAP
(11) RESERVED









