TEL: +86-13322987810, +86-27-83520855

LMD Servo Motor Frame Size 110 (220V)

LMD Servo Motor Frame Size 110 (220V)

LMD Series Servo Motor Order Number

LMD Order Number.jpg

  (1)     RATED VOLTAGE (VAC),  L, 220 / H, 380
  (2)     PRODUCT SERIES
  (3)     RATED POWER, THE FOUR-DIGIT NUMBER×0.01kW
  (4)     FRAME SIZE, THE DOUBLE-DIGIT NUMBER×10
  (5)     PRODUCT TYPE,  S, STANDARD / C, CUSTOMIZED
  (6)     RATED SPEED, THE DOUBLE-DIGIT NUMBER×100RPM
  (7)     MAXIMUM SPEED FEATURE
  (8)     ENCODER CODE
  (9)     OPTIONS,  B, WITH THE HOLDING BRAKE / O, WITH THE OIL SEAL
  (10)   THE SHAFT END KEYWAY CODE,  K, WITH THE KEY AND TAP
  (11)   RESERVED

Product Description

LMD Series Servo Motor Feature

LMD Feature.jpg

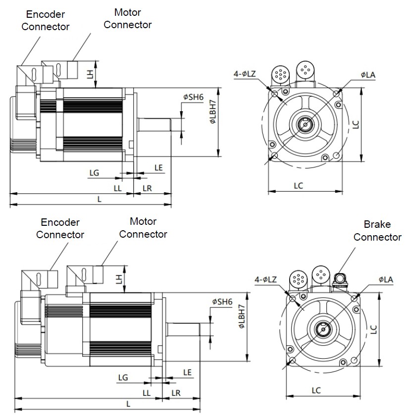
Frame Size 110 (3000/4000, 2500/4000 RPM)

LMD 110 Dimension 01.jpg

Outline Dimensional Drawing (mm)

LMD 110 Dimension 02.jpg

LMD Series Servo Motor List

LMD list.jpg


Product Inquiry
Leave a Message